Тумба под раковину Aquanet Оптима 80 дуб рустикальный/белый сатин – это элегантное решение для современной ванной комнаты. Универсальный дизайн гармонично впишется в любой интерьер, добавляя ему нотку свежести и уюта.
Корпус тумбы выполнен из влагостойкой ЛДСП с ламинированным покрытием, что гарантирует долговечность и устойчивость к воздействию влаги. Фасады также изготовлены из влагостойкой ЛДСП, обеспечивая единый стиль и надежную защиту от деформации.
Особое внимание уделено функциональности и комфорту использования. Петли с доводчиками обеспечивают плавное и бесшумное закрывание фасадов, предотвращая хлопки и продлевая срок службы мебели. Надежные навесы способны выдерживать нагрузку до 130 кг, гарантируя безопасность и устойчивость конструкции.
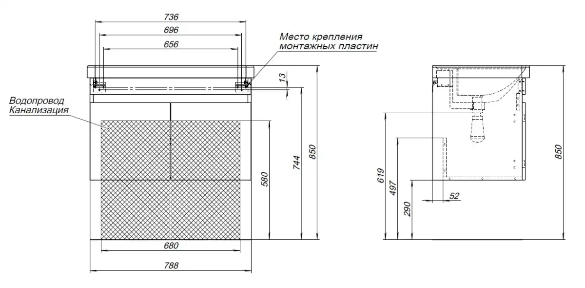
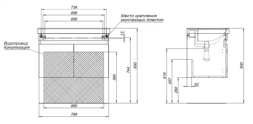
Тумба Aquanet Оптима 80 продумана до мелочей. В ней предусмотрено удобное место для подводки коммуникаций снизу, что облегчает установку и подключение сантехнического оборудования.
